Jun 05, 18 · モーゼルC96風、輪ゴム鉄砲制作のノウハウと裏話 石丸 紀人 18年6月5日 3DCAD, Fusion360(フュージョン360), レーザーカッター, レーザー加工機, レーザー加工機 価格, 商品の作り方 輪ゴム鉄砲の動画如何でしたでしょうか? ? まだ見てない方は、こちらJun 03, 17 · 割り箸鉄砲の簡単な作り方を探しているあなた。ここでは輪ゴムと割り箸だけで簡単に鉄砲を作る方法を紹介していますよ。夏休みの自由研究工作や文化祭等の的当てゲームで割り箸銃を作りたい人はぜひ参考にしてくださいね。Jun 03, 17 · 割り箸で簡単に作れる「ゴム鉄砲」。子供の頃、よく兄と撃ち合いをして遊んだものです。んで、普通に作っても充分な威力を発揮する割り箸鉄砲ですが、 もっと強力な銃を作りたい(`・ω・´) って思っちゃいますよね。 というか、連射ができるスゴイ銃を作って、子供や友達を驚かせて
ゴム鉄砲の作り方 簡単に作れるわりばし鉄砲2種 こども工作レシピ
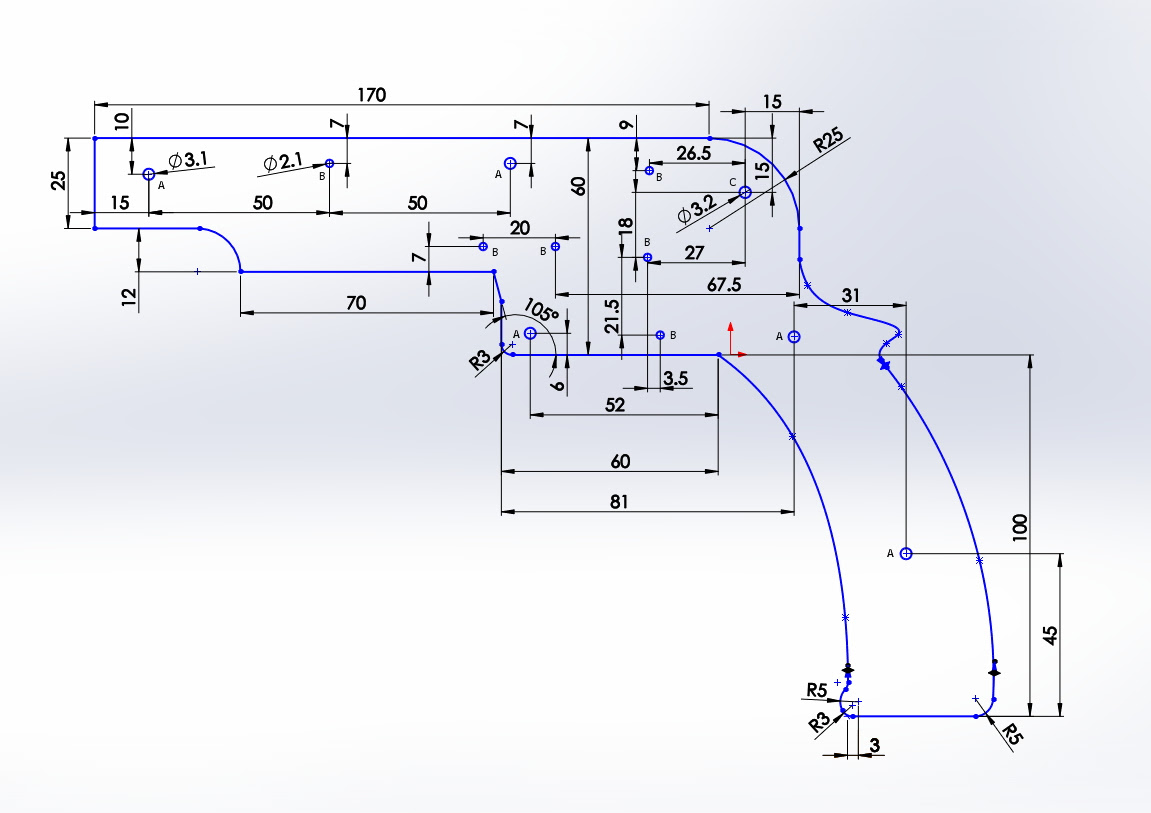
ゴム鉄砲 図面
ゴム鉄砲 図面-Aug 30, · ゴム銃のオッグクラフト OGG CRAFT'S GUN LOCKER ヤフオク!JAPANの フォロー で最新情報をチェックしてみよう で工作動画を投稿しているおじさんです。 ダンボールでアニメ・ゲーム・映画に登場する武器を再現します。 変形や発射などの



17 号 連発式輪ゴム銃 Astamuse
出品情報 出品中! 出品リストはこちら セミオート連発銃や電動マシンガンなど、"割りばしでっぽう"とは次元の違う次世代型ゴム銃をぜひお楽しみください! If playback doesn't begin shortly, try restartingブローバックする輪ゴム銃(排莢機能付)・グロック タイプver2 ¥ 1,500 ブローバックして薬莢を排出する連発式輪ゴム銃の製作解説書等一式です。 「ブローバックする輪ゴム銃(排莢機能付)」の内部構造をさらにシンプルにしたことで、作動調整の輪ゴム銃 8連射式 diy 組立式 木製 輪ゴム鉄砲がおもちゃストアでいつでもお買い得。当日お急ぎ便対象商品は、当日お届け可能です。アマゾン配送商品は、通常配送無料(一部除く)。
うに3本を輪ゴムでまとめます 4.真ん中の1本をひっぱって 図のような形にします 材料 わりばし 5本 輪ゴム 7~10本 はさみ 1本 2.ある程度はさみで切り込み をいれたら手で折ります わりばしゴム鉄砲 315年 10月 14日 水 共栄の輪ゴム銃は、「リアルさ」が売り! (^_^)v なので、時々ドラマや映画で使われている銃が ホームページで販売しているものと同じだったりすることもあります。 そんな時は出来るだけフェイスブックなどでもお知らせ出来たら木製工作キット ゴム鉄砲 0760 メール便対応品 ラッピング不可 ( 工作 夏休み 小学生 キット ) ゴム鉄砲 子供から大人まで楽しめるかっこいい木製ゴム鉄砲です。 小学校低学年でも簡単に作れます。 輪ゴムだから安全、親子で一緒に的当て遊びができ
そしてよく「ゴム鉄砲 作り方」とか「連発式ゴム鉄砲 構造」や「ゴム鉄砲 図面」などといった語句で検索されて来られている方もたくさん居られます。 そこで現在ヒロ工房として制作・販売している6連発ゴム鉄砲の構造と各部品のダンボール製輪ゴム銃RG600の概要 本体のほぼ全ての部品がダンボールで作られている連射式の輪ゴム鉄砲です。 ご家庭でも簡単に手に入る部品や工具だけで作れるようになっています。 RG600はRG500の改良版として開発されました。 公開図面は、各作家の概要説明 分野 0001 本考案は、輪ゴムを発射すると同時にスライド部分が後退及び前進運動をしてブローバックのような動作をする連発式輪ゴム銃の構造に関するものである。 従来の技術 0002 連発式輪ゴム銃の構造として、種々の形状の回転子とストッパーを組み合わせた



夏の超自由研究 レーザーカッターで スプリング 輪ゴム鉄砲 を作る方法 デジタルものづくりの情報サイト メイカーズラブ



ブローバックする輪ゴム銃 排莢機能付 モーゼル タイプ Tenkoukakuの輪ゴム銃
May , 18 · 5月日(日)に、「連発式輪ゴム銃をつくろう!」を開催しました。講師は、県内でゴム銃工作教室の活動をされているフォレスト工房の森さんです。 今回は、からくり仕掛けで6連発できるゴム鉄砲を本格的な木工で作ります。 まずはApr 14, 18 · 4月14日(土)に、「連発式輪ゴム銃をつくろう!」を開催しました。講師は、県内でゴム銃工作教室の活動をされているフォレスト工房の森さんです。 今回は、からくり仕掛けで6連発できるゴム鉄砲を本格的な木工で作ります。 まずは先日、本屋でゴム鉄砲の本を見つけた。 軽い気持ちで手に取ってみると、表紙に並んだゴム鉄砲がすさまじい。 ガトリングガンやら、自動小銃やら、バズーカなんぞが写っている。 これはもう、鉄砲(てっぽう)などと云う、おもちゃっぽい名称は似合わない。



脳活スポーツ協会 ゴム銃メンコ射撃用ゴム銃の作り方図面を公開します 長さ38 のゴム銃で5m 離れた直径18 の的に正確にメンコが命中する奇跡のシューテングスポーツです 日本ゴム銃メンコ射撃協会https T Co Aiq21a4fbp Tel H Higuchi



17 号 連発式輪ゴム銃 Astamuse
連発ゴム銃を作って公開されています。 「かっこいい!!」 そこでネットでアップされている連発ゴム銃を真似して作ってみようと考えました。 図面もないので、画像や動画を見て構造が何となく分Feb , 15 · こんにちは、ネタ記事です。 突然ですが、あなたは "輪ゴムを飛ばす割り箸鉄砲" を作った経験はあるでしょうか? 私は小学生のころに3回ほど作ったことがある木製ゴム鉄砲の簡易図面を作成してみました。 動画も簡易式ですが(WWWW 名称:SCARG (PetitModel No22) FN社の特殊部隊用戦闘ライフル「 SCAR 」をモチーフにした手作りのゴム銃。 SCARには、762mmNATO弾のH(ヘビー)、 5



最新ダンボール 工作 銃 作り方 簡単 子供 すべてのぬりえ



自由研究にも おうち遊びにも 触れる図鑑 ゴム鉄砲 木工工作キット 株式会社ライブエンタープライズ
ゴム銃「木製品の共栄」 ゴム銃(輪ゴム鉄砲)専用ページ ホーム ご注文お支払い方法 商品一覧 Handgun ハンドガン Government ガバメント 9ミリ拳銃 SIG P2 S&WⅡ 龍馬の拳銃 PPK 007Jun 05, 16 · 小さいころ、割り箸で鉄砲の形をつくって輪ゴムを飛ばした思い出はありませんか? 割り箸鉄砲より数段レベルアップした本格的な木製ライフル銃DIYをご紹介します。 輪ゴムの連射も可能! 見た目もかっこいい! これはDIYに挑戦してみたくなるようなJul 25, 16 · 割りばしゴム鉄砲についてGoogleで検索しても色々出てくると思いますし、中にはこんな本もあったんですね。 見てみると ダブルガトリング160連発銃 なんてものもあるっていう。 。 今回、こちらの本を少し参考にさせてもらいながら作ってみたんですが



ゴム銃のオッグクラフト P210ちえみスペシャル図面



ダンボール工作 春休み みんなでダンボールゴム鉄砲をつくってみよう つくってみよう
ゴム鉄砲 前代未聞の6連射「ゴム鉄砲」図鑑の中身、初公開!!! つかめる水 「バカ売れ研究所」テレビ放送の収録 商品紹介 1746 子供も大人も一緒に体験できる!「触れる図鑑」シリーズ! ゴム鉄砲 夏工作にも最適「ゴム鉄砲Aug 26, 19 · ダンボールはさまざまな用途に使うことのできる材料の一つです。大きさや形状もさまざまで、手軽に手に入れることができるため学校の自由研究などによく用いられます。 近年では非常に凝ったダンボール工作があります。加工のしやすさなどからも人気が高く、特に子供たちは創造割り箸ゴム鉄砲の作り方 材料 割り箸3膳(6本) 輪ゴム7本;



木製銃 アイスの木のヘラやベニヤ板で 手作りおもちゃdiy Handful ハンドフル



連続発射式輪ゴム銃
輪ゴムを発射すると瞬時にスライド部分が後退して ブローバックのような動作をする 連発式輪ゴム銃の製作図等一式です。 商品内容:pdfdata_Glockrarファイルの中に、製作解説書pdf、製作下図pdf、ホールドオープン機構pdf等が収められています。 ・ 製作下図 2枚、 製作解説書 12枚ゴム鉄砲をDIYでつくれるキット ターゲットボード3個つき 必要な材料と接着剤・ヤスリが付属していますので、箱から出してすぐに組み立てをはじめられます。 お好みの塗装をすれば、世界にひとつだけのゴム鉄砲に!!そしてよく「ゴム鉄砲 作り方」とか「連発式ゴム鉄砲 構造」や「ゴム鉄砲 図面」などといった語句で検索されて来られている方もたくさん居られます。 そこで現在ヒロ工房として制作・販売している6連発ゴム鉄砲の構造と各部品の設計図を公開してみ



メタル輪ゴム銃 ガゼルt3 設計データ Originalmind オリジナルマインド



大人もハマる 夏休みの親子工作にオススメ 輪ゴムマシンガンの作り方 知っトク ナビたん
Aug 18, 16 · ゴム鉄砲づくり 割り箸を使って作るものから始まったゴム銃づくり、今年の夏は余りにも猛暑日続きとなったためクーラーの効いた部屋の中で工作を楽しんだ日の多い夏ともになりました。 最初は、息子一土が独りで作れるストーローと折り紙を使ったMay 04, · 割り箸鉄砲の作り方をわかりやすく解説します。ここでご紹介するのは、基本の形なので、誰でも簡単に作ることができます。また、的のアイデアもご紹介しますので、子供さんと一緒に楽しみながら作ってみてください。簡単な割り箸ゴム鉄砲の作り方準備するもの10 連発式 輪ゴム銃 特徴 ・ 木工で作る10 連発式の輪ゴム銃 ・ 使用する輪ゴム:no16 サイズ ・ 参照したp1io にラチェットシア自 動リセット機構を組み込んだので、ワン タッチで発射プレートを戻せる。 寸法 380 長×153 縦×幅27



Tutorial Free Plan How To Make Easy Design Rubber Band Gun 簡単設計 連発ゴム銃の作り方 Youtube



ゴム銃 美爺 Busy の日々是好日 Everyday Is A Good Day
割り箸鉄砲の作り方!輪ゴムで簡単工作!的の手作り方法も 公開図面で親子で作ろう! smilehanabusa;ゴム銃会員のhさんから競技用の単発ゴム銃の製作を頼まれました。 5丁ということなのでイベントの時に使われるものと思います。 製作したのはugt19モデルで、板材は依頼者から提供のあったものです。 すでに発送済みです。つくるさん。 ダンボール工作r フォロー スマホ版Yahoo!



ゴム鉄砲の作り方 簡単に作れるわりばし鉄砲2種 こども工作レシピ



紙で作る連射式輪ゴム鉄砲の作り方 相楽製作所
相楽製作所 輪ゴム鉄砲 sagara rg1400 5つ星のうち47 10 ¥6,800 ¥6,800 21/6/27



Ministork通信 Winchester M73 Part2



ダンボール工作 ダンボールでゴム鉄砲 銃をつくってみた 図面あり つくってみよう



M700型ボルトアクションゴム銃 M700i ゴム銃録



木製銃 アイスの木のヘラやベニヤ板で 手作りおもちゃdiy Handful ハンドフル



ブローバックする連発式輪ゴム銃



ゴム銃のオッグクラフト レポート ゴム銃の作り方



命中精度バツグン 3連発ゴム銃の作り方 3連発ラバーガンの作り方



公開図面で親子で作ろう Smile Hanabusa



ダンボールで作る連射式輪ゴム銃の設計図と作り方1 研究開発 相楽製作所



木製手作りゴム鉄砲 ゴム銃 工作キット Gomuju Kit 竹専門店 竹伊 通販 Yahoo ショッピング



ダンボールで作る連射式輪ゴム銃の設計図と作り方1 研究開発 相楽製作所



ゴム銃と趣味のブログpaconta Factory Tammary 8000eg の図面



ゴム銃と趣味のブログpaconta Factory ゴム銃製作記録



活動内容 Npo法人 Natural Backyard Factory



ゴム鉄砲設計図 ヒロ工房



連発輪ゴム鉄砲 木工作キット Porupeppo Museum Store



ダンボールで作る連射式輪ゴム銃の設計図と作り方1 研究開発 相楽製作所



連射式ゴム銃の仕組み ソフトとハードの交差点



割り箸 鉄砲 連射 割り箸鉄砲 強力な連射銃の作り方 かっこいいセミオートで連発可能



ダンボール工作 簡単 4連射 輪ゴム銃 の作り方を解説 設計図付き ダンボールで制作チャレンジ 段ボール おもちゃ アンパンマン ポケモン Diy Youtube



公開図面で親子で作ろう Smile Hanabusa



ゴム銃のオッグクラフト P210ちえみスペシャル図面



10 号 ゴム銃 Astamuse



M700型ボルトアクションゴム銃 M700i ゴム銃録



ダンボールで作る連射式輪ゴム銃の設計図と作り方1 研究開発 相楽製作所



Tutorial Free Plan How To Make 4 Rounds Asymmetric Rubber Band Gun へんてこ4連発ゴム銃の作り方 Youtube



10 号 ゴム銃 Astamuse



ゴム銃のオッグクラフト レポート ゴム銃の作り方



ゴム銃のオッグクラフト レポート ゴム銃の作り方



増補版 1膳から作る割ばし輪ゴム鉄砲 創造力を高める手作り工作シリーズ 永田 金司 本 通販 Amazon



自由研究にも おうち遊びにも 触れる図鑑 ゴム鉄砲 木工工作キット 株式会社ライブエンタープライズ



輪ゴムの連射も可能 木製ライフル銃をdiy Diyer S リノベと暮らしとdiy



M700型ボルトアクションゴム銃 M700i ゴム銃録



最新ダンボール 工作 銃 作り方 簡単 子供 すべてのぬりえ



命中精度バツグン 3連発ゴム銃の作り方 3連発ラバーガンの作り方



動画 レーザーカッターでゴム鉄砲を作ってみました オーレーザー



10 号 ゴム銃 Astamuse



ワンコインで本格的なゴム鉄砲を作ってみた 国家資格マニア ぬっぺふほふの日記



ブローバックする輪ゴム銃 排莢機能付 グロック タイプver 2 Tenkoukakuの



Rubber Band Gun p90風輪ゴム銃 マガジン交換可 Youtube



M700型ボルトアクションゴム銃 M700i ゴム銃録



Zuma2 Kazkin21 Twitter



Ministork通信 孫の誕生日プレゼントにwinchesterを作ってみた



輪ゴム遊び 工作例まとめ 鉄砲だけじゃない 簡単幼児向けマジックも



Tutorial Free Plan How To Make 10 Rounds Authentic Rubber Band Gun 本格的10連発ゴム銃の作り方 Youtube



大人のこだわりホビー 割ばし輪ゴム鉄砲製作教本 永田 金司 本 通販 Amazon



Hands Life Pa Twitter 春休み 皆んなでダンボールゴム鉄砲を作ってみよう セブンイレブンのネットプリントを使って図面を印刷可 ネット予約番号は 楽しい春休みを T Co Zj3imfajla ダンボール工作 ゴム鉄砲 ダンボール ゴム鉄砲 Diy



ゴム鉄砲設計図 ヒロ工房



ゴム銃のオッグクラフト レポート ゴム銃の作り方



夏の超自由研究 レーザーカッターで スプリング 輪ゴム鉄砲 を作る方法 デジタルものづくりの情報サイト メイカーズラブ



ゴム鉄砲づくり Jiyujinmac08 ページ



ストラックアウト的 輪ゴム鉄砲用 の作り方3 ダンボール工作 研究開発 相楽製作所 手作り おもちゃ ダンボール ストラックアウト 輪ゴム銃



ゴム鉄砲設計図 ヒロ工房



Kazkin21 R B Guns Home Facebook



男子の夢 安全 格安 輪ゴムマシンガンの紹介 設計図アリ 知っトク ナビたん



男子の夢 安全 格安 輪ゴムマシンガンの紹介 設計図アリ 知っトク ナビたん



みんなが作ったディンゴたち Over Boost



ダンボール製サブマシンガン型輪ゴム鉄砲rg 700の設計図と作り方 研究開発 相楽製作所



10 号 ブローバック玩具銃 Astamuse



Kazkin21 R B Guns Posts Facebook



木槍 おしゃれまとめの人気アイデア Pinterest Ade Sukarsa 輪ゴム銃 輪ゴム ゴム鉄砲



ワンコインで本格的なゴム鉄砲を作ってみた 国家資格マニア ぬっぺふほふの日記



割り箸 鉄砲 連射 割り箸鉄砲 強力な連射銃の作り方 かっこいいセミオートで連発可能



ワンコインで本格的なゴム鉄砲を作ってみた 国家資格マニア ぬっぺふほふの日記



ブローバックする輪ゴム銃製作解説書pdfデータ H K4タイプ Tenkoukakuの輪ゴ



公開図面で親子で作ろう Smile Hanabusa



ゴム鉄砲設計図 ヒロ工房



ワンコインで本格的なゴム鉄砲を作ってみた 国家資格マニア ぬっぺふほふの日記



ゴム鉄砲設計図 ヒロ工房



せびれ 図面と内部構造写真 いーの はらしょ 気軽にモノづくり



ボード 輪ゴム のピン



実験 最強の連射ゴム銃作ってみた Youtube



ブローバックする輪ゴム銃製作pdfデータ デザートイーグルタイプ ブローバックする輪ゴム銃製作解説書



以前からブログのゴム鉄砲の記事にたくさんの方からアクセスして頂いています そし 輪ゴム銃 輪ゴム ゴム鉄砲



M700型ボルトアクションゴム銃 M700i ゴム銃録



Kazkin21 R B Guns Home Facebook



ゴム銃 ダンボール工作レシピ Youtube



最高 Ever 設計図 作り方 Minecraftの最高のアイデア



自由研究にも おうち遊びにも 触れる図鑑 ゴム鉄砲 木工工作キット 株式会社ライブエンタープライズ



ゴム鉄砲設計図 ヒロ工房



6連回転式輪ゴム銃



割り箸 鉄砲 連射 割り箸鉄砲 強力な連射銃の作り方 かっこいいセミオートで連発可能



ゴム銃のオッグクラフト レポート ゴム銃の作り方



10 号 ゴム銃 Astamuse


0 件のコメント:
コメントを投稿